世界卫生组织(WHO)将沸点范围在50~ 260 ℃,室温下饱和蒸气压超过133.32Pa,常温下以蒸气形式存在于空气中的一大类有机化合物定义为挥发性有机化合物VOC,其主要成分为烃类、卤代烃、氮烃、含氧烃、 硫烃及低 沸点的多 环芳烃等。
VOC污染物质作为污水处理厂、制药厂等场所的主要污染气体和有机合成工业、石油化学工业的主要污染物质正受到普遍关注。VOC中的许多物质对人体和各种感官有刺激作用,且具有一定的毒性,有些会产生致癌、致畸、致突变的 “三致”效应,对环境安全和人类生存产生极大的危害。

为了限制VOC的排放,世界各国颁布了法令,制定了废气排放标准。美国通过的《清洁空气修正案》列出了189种被认为是对人体健康有害的化合物,其中大部分为VOC类物质;1996年日本立法限制53种VOC的排放,2002年限制了149种VOC的排放;1996年我国国家环保局批准发布了大气污染物综合排放标准 (GB16297-1996), 规定了以有害空气污染物为主的33种污染物的额定排放限值,包括甲苯、苯、三氯乙烯等挥发性有机化合物。
VOC主要来源于以煤、石油、天然气为燃料或原料的工业以及其他相关的化学工业。
(1)石油开采与加工、炼焦与煤焦油加工、煤矿、木材干馏、天然气开采与利用;
(2)化工生产,包括石油化工、燃料、涂料、 医药、农药、炸药、有机合成、溶剂、试剂、洗涤剂、黏合剂等的生产;
(3)各类内燃机;
(4)燃煤、燃油、燃气锅炉与工业炉;
(5)油漆、涂料的喷涂作业,使用含有有机黏合剂的作业;
(6)各种有机物的燃料及其加热装置、运输装置及储运装置;
(7)食品、油脂、皮革、毛的加工;
(8)肥料池、沼气池、发酵池及垃圾处理站。
VOC的种类很多,根据其结构主要分为芳香类碳氢化合 物 (苯、甲苯、二甲苯、苯乙烯等), 脂肪类碳氢化合物 (丁烷、正丁烷、汽油等),卤代烃 (四氯化碳、氯仿、氯乙烯、氟利昂等),醇、 醛、酮、多元醇类化合物 (甲醇、丙醇、异丁醇、 甲醛、乙醛、丙酮、环己酮等),醚、酚、环氧类化合物 (乙醚、甲酚、苯酚、环氧乙烷、环氧丙烷等)、酯、酸类化合物 (乙酸乙酯、乙酸丁酯等)、 胺、腈类化合物 (二甲基甲酰胺、丙烯腈等)及其他 (甲基溴、氟氯碳化合物等)等8类。
VOC是除颗粒物以外的第2大分布广泛和种类繁多的排放物,其危害根据种类的不同也有所差别。其危害主要表现在以下几个方面。
乙烯、丙烯等脂肪烃类VOC物质,是石化工业的基本单体,在工厂使用非常普遍。这些化合物在一般状况下毒性较低,在较高剂量浓度下才会对人体产生伤害,但是由于属于易燃、易爆类化合物,会给企业生产造成较大火灾隐患。近年来由于VOC造成的火灾和爆炸时有发生。
VOC对人体有很多直接的危害,对人体的影响主要为气味、感官、黏膜刺激和其他系统毒性导致的病态及基因毒性和致癌性。大多数VOC带有恶臭等刺激性气味,当在环境中达到一定浓度时, 短时间内可使人感到头痛、恶心、呕吐,严重时会抽搐、昏迷,并可能造成记忆力衰退,伤害人的肝脏、肾脏、大脑和神经系统。部分VOC已被列为致癌物,特别是苯、甲苯及甲醛,会对人体造成很大的伤害。苯类化合物会损害人的中枢神经,造成神经系统障碍,也会危及血液和造血器官,严重时,会有出血症状或感染败血症。卤代烃物质能引起神经衰弱征候群及血小板减少、肝功能下降、肝脾肿大等病变,还可能导致癌症。
VOC是O3和PM 2.5的重要前体物,能造成光化学烟雾、O3浓度升高、雾霾天气次数增加等环境问题,间接地影响人体健康。
VOC在阳光照射 下与大气 中的氮氧 化合物、 碳氢化合物等发生光化学反应,产生高度活性的自由基,生成臭氧、过氧硝基酰、醛类等光 化学烟雾,造成二次污染,危害人的身体健康。研究表明,O3在浓度低时可用于净化水体、除臭、杀菌、 去除残留农药等。如果空气中O3浓度的增加,首先会破坏人们皮肤中的维生素E,进入呼吸道后会刺激人体呼吸系统,造成神经系统中毒,严重时还会破坏人体的免疫系统,如长期生活在这种环境中 (几天或几星期),会对人造成生命危险。同时会危害农作物的生长,甚至导致农作物的死亡。因此, O3早已列为影响全球环境空气质量标准的重要污染物[6]。美国洛杉矶、日本东京、我国北京市燕山地区和兰州市西固区等都曾出现过光化学污染。
VOC还会在特定条件下和大气中的颗粒物形成二次有机气 溶胶 (SOA),SOA中含有多 种致癌、致畸和致突变性的有机化合物,如多环芳烃、 多氯联苯和其他含氯有机化合物。SOA还影响大气能见度,是产生大气光化学烟雾、酸沉降的重要因素, 并可通过 长距离传 输影响区 域和全球 环境。
目前,VOC对环境和人体造成了很大的危害, 如何妥善回收与处理VOC已成为人们研究的焦点问题之一。
VOC的回收技术主要有冷凝法、吸附法、吸收法和膜分离法。根据VOC的物理和化学性质, 选择不同的回 收方法或 几种方法 的组合来 回收VOC中的有机化 合物,不仅可以 减轻环境 污染, 还会取得一定的经济效益。
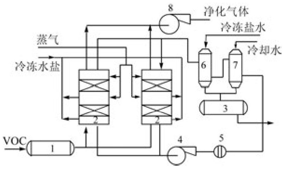
冷凝法是最简单的回收VOC的方法,它是利用物质在不同温度下具有不同饱和蒸气压这一性质,将VOC通过冷凝 器降低到 有机物的 沸点以下,使有机物冷凝成液滴,再靠重力作用落到凝结区下部的贮罐中,从而分离出来,装置如图1。通常使用的冷却介质主要有冷水、冷冻盐水和液氨。 该技术对于高浓度 (百分之几)、较高沸点、须回收的VOC具有较好的经济效益。
图1 冷凝法装置图
该方法所需设备和操作条件都比较简单,所回收的VOC的纯度比较高,其回收率与VOC初始浓度、沸点有关,VOC的初始浓度越大、沸点越高,回收率越高,但要获得较高的回收率需采用较低温度的冷凝介质或采用较高的压力。所以在实际应用中,冷凝法常与压缩、吸附、吸收等过程联合使用,以吸收或吸附手段浓缩VOC、以冷凝法回收该有机物,达到经济且回收率较高的目的。图2为冷凝法与吸附法联合回收VOC工艺流程图。
图2 冷凝-吸附法回收 VOC工艺流程图
(1-气体缓冲罐;2-吸附床;3-回收液储槽; 4-循环风机;5-阻火器;6-冷凝器; 7-预冷却器;8-排气风机)
吸附法已广泛应用于净化室内空气、大气污染治理、石油化工等领域VOC的回收处理。它分为固定床吸附法、流动床吸附法和浓缩轮吸附法。其原理是利用具有密集的细孔结构、内表面积比较大的粒状活性炭、炭纤维、硅胶、人工沸石等吸附剂的多孔结构,将VOC组分吸附在固体表面,利用吸附剂不断吸附、脱附的循环,达到净化回收目的。研究表明,活性炭吸附VOC性能最佳。吸附剂吸附VOC的效果除与吸附剂本身性质有关外还与VOC的种类、浓度、性质以及吸附系统的温度、压力有关,一般来说吸附剂对VOC的吸附能力随气体分子量的增加而增加,低分压的气体比高分压气体更易吸附。
吸附法适用于 中低浓度、 高通量VOC的回收,它具有去除效率高、净化彻底、能耗低、工艺成熟、易于推广实用等优点,表现出良好的环境和经济效益。缺点是吸附剂的容量小,需要的吸附剂量大,设备庞大;吸附后的吸附剂不仅需要定期再生处理和更换,而且在此过程中,VOC有散逸的风险;由于全过程的复杂性,费用相对较高。
吸收法是根据有机物相似相溶的原理,采用低挥发或不挥发溶剂对VOC进行吸收,再利用VOC分子和吸收剂物理性质的差异进行分离的一种方法。通常使用的吸收剂是高沸点、低蒸气压的油类物质,吸收过程是在装有填料的吸收塔中完成的, 其吸收效果主要取决于吸收剂的吸收性能和吸收设备的结构特征。
该方法适用于 大气量、 中等浓度VOC的处理,可用于回收有用成分,但吸收剂难以选取,吸收的范围有限,而且吸收后的吸收溶液需进一步处理,有可能造成二次污染,费用也较高。
膜分离法是在海水淡化研究中发现的一种新的高效分离方法,它与传统的冷凝法、吸附法和吸收法相比,具有流程简单,回收率高,能耗低,无二次污染等优点,是一种非常有应用前景的分离方法。该方法适用于中高浓度VOC (含量高于1× 10)的分离与回收。目前采用膜分离法可以回收脂肪和芳 香族碳氢 化合物、 含氯溶剂、 酮、 醛、 腈、醇、胺、酸等大部分VOC,且随着高效分离膜的开发和价格的降低,膜技术的应用会越来越广泛。
膜分离法是采用对有机化合物具有选择性渗透的高分子膜,在一定压力下使VOC渗透而达到分离的目的。一般采用中空纤维膜或板式膜。图3为膜分离流程原理图,它分3步完成,首先将VOC和空气混合物压缩,再将压缩的混合气流输入冷凝器中冷却,然后进行膜蒸气分离。当VOC气体进入膜分离系统后,膜选择性地让VOC气体通过而被富集,脱除了VOC的气体留在未渗透侧,可以达标排放;富集的VOC气体可去冷凝回收系统进行有机溶剂的回收。
图3 膜分离流程原理图
对于成分复杂、高浓度的VOC,现在应用较多的方法是燃烧法,它是通过化学反应,将VOC中的有机物转变为CO2和H2O。
目前实际使用的燃烧方式主要有直接燃烧和催化燃烧,其过程复杂并且可能包括一系列分解、聚合及自由基反应。直接燃烧也称为直接火焰燃烧, 它是把VOC中可燃的有机物组分当作燃料在气流中直接燃烧,温度一般在1100 ℃左右。因此,该方法只适用于净化有机物组分燃烧时热值较高的VOC,因为只有燃烧时放出的热量能够补偿散向环境中的热量时,才能保持燃烧区的温度,维持燃烧的持续。催化燃烧是以Pt、Pd、CuO、NiO等作为催化剂,在较低的温度下 (150~600 ℃)使VOC中的有机 物可燃组 分氧化分 解成CO2和H2O。催化剂的存在使有机物在燃烧时比直接燃烧法需要更 少的保留 时间和更 低的温度。 但由于VOC中含有较多 杂质,很容易引 起催化剂 中毒, 且催化剂常只针对特定类型的化合物,因此催化燃烧的广泛应用在一定程度上受到了限制,也易造成二次污染。
燃烧法具有效率高、处理彻底、消除恶臭、污染小等优点,但由于VOC燃烧氧化的最终产物是CO2、H2O等,因而使用这种方法 不能回收 到有用的物质,且使用催化燃烧时所 用催化剂成本很高,费用大大提高。
20世纪70年代,人们就开始了低温等离子体净化VOC的研究,目前有些已进入应用阶段,但大多数尚处于研究开发阶段。多年来的研究结果表明,等离子体净化技术是一种效率高、能耗低、适用范围广的污染物净化技术。它是利用高能电子射线激活、电离、裂解VOC中各组分,从而发生氧化等一系列复杂化学反应,将有害物转化为无害物或有用的副产物的一种处理技术。目前应用的主要有电子束辐照和气体放电2类。
电子束辐照法处理VOC的实验研究 始于20世纪90年代,主要集中 在危害较 严重的3大类VOC:氯代烃、 苯系物和 多环芳烃 类。 其降解VOC的原理是利用电子加速器 (图4) 产生高速的电子脉冲,由于电子束具有较高的能量,在其作用下VOC受到激发,产生原子间键的断裂,形成小碎片基团和原子,电场激发的各种活性粒子与有机物分子和小碎片基团发生一系列的自由基反应, 最终把有机物降解为CO2、CO和H2O,从而达到治理的目 的。 研究表明, 随着吸收 剂量增加, VOC脱除率提高,VOC初始浓度增大,脱除率降低,水、氧气、氯代烃或氨的注入有助于VOC脱除率的提高。分解过程中无废液、废渣产生,而且由于电子和活性粒子与有机物的反应时间短,可以实现大流量连续操作,显现出良好的技术优势。
图4 电子加速器示意图
电子束辐照处 理低浓度VOC,具有效率 高、 能耗低、使用范围广、处理量大、操作简单 等优点,是新近发展起来的比较有前途的处理低浓度VOC的方法之一。这种方法的缺点主要有:对于芳香烃类VOC,例如某些 苯系物和 多环芳烃 等, 处理效果还不是很理想,要达到较高的脱除率需要很高的剂量 以及产物 中可能仍 含有毒有 害有机物等。
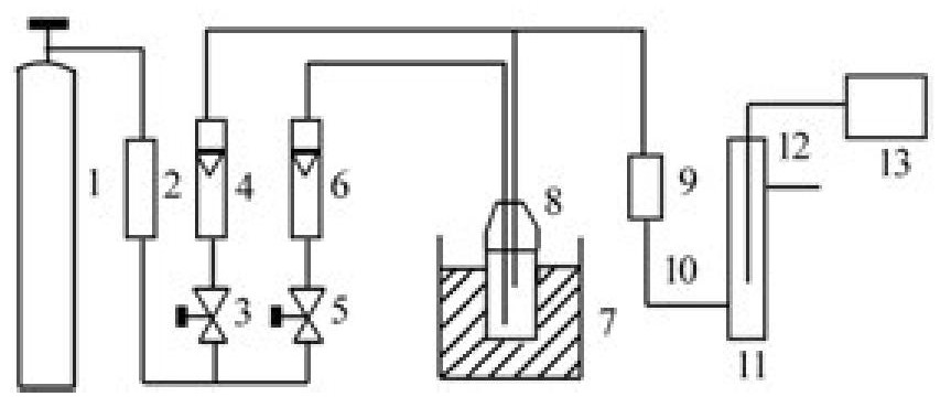
气体放电产生等离子体主要分为以下几种形式:辉光放电、电晕放电、介质阻挡放电、频射放电、微波放电,而研究较为活跃的是脉冲电晕放电产生等离子体[11]。该法的等离子体产生机理与电子束辐照法基本一致,它是在2个不均匀的电极之间叠加一个脉冲电压,由于脉冲电压的上升前沿极陡,峰宽较窄 (纳秒级),在极短的脉冲时间内, 在电晕极周围发生激烈、高频率的脉冲电晕放电, 产生大量的高能电子和O、OH等活性粒子,对有害物质进行氧化、降解,最终将其转化为无害物。 与电子束辐照法相比,该法避免了电子加速器的使用,也无须辐射屏蔽,增强了技术的安全性和实用性。但对脉冲电晕放电法处理VOC的研究,目前大多停留在实验室阶段,一般的处理试验装置和工艺流程如图5所示。
图5 脉冲电晕放电法处理 VOC工艺流程图
1-空气钢瓶;2-干燥瓶;3、5-调节阀;4、6-流量计; 7-恒温槽;8-VOC;9-缓冲瓶;10、12-采样口; 11-电晕放电反应器;13-高压脉冲电源)
国内外的研 究表明,脉冲电晕 放电法治 理VOC是一种很有前途的方法,与常规技术相比具有工艺简单、能耗低、流程短、可操作性 好的特点,特别是在节能方面有很大的潜力,应用范围也比较广泛,但由于它的反应过程复杂,受到许多外在因素的影响,放电过程中有可 能会产生聚合反应,生成聚合物,并会生成 少量不完 全产物CO等,因此需要进一步研究完善。
近年来,光催化降解技术去除低浓度VOC已接近商业化使用阶段。研究结果表明,许多VOC均可在常温常压下光催化分解,包括脂肪烃、醇、 醛、卤代烃、芳烃及杂原子有机物等,因此,该技术有着较 高的开发 价值和广 阔的应用, 己成为VOC处理技术中一个活跃的研究方向。
光催化降解VOC的基本原理是在特定波长光照射下,光催化剂 被活化,使H2O生成 -OH, 然后 -OH将VOC氧化成CO2、H2O和无机物 质。由于气相中具有较高的分子扩散和质量传递速率及较易进行的链反应,光催化剂对一些气相反应的光效率接近甚至超过水相反应。日本的田中启一和山口伸一郎等对利用紫外线光分解气态有机物作了研究,结果表明,在气体情况下,有机氯化物和氟氯碳在185nm紫外光照射下,进行气相光解,2种物质都能在极短的时间内分解,而且有机卤化物的分解速度大于氟氯碳;三氯乙烯几秒钟内即能分解成最终产物CO2、Cl2、F2及光气等; 光分解产生的醋酸等中间产物可通过碱液处理或延长滞留时间等手段最终去除。
光分解VOC主要有2种形式:一种是直接光照,在波长合适时,VOC分解;另一种是催化剂存在下,光照气态VOC使之分解。常用的金属氧化物光催 化剂有:Fe2O3、 WO3、Cr2O3、ZnO、 ZrO、TiO2等。由于TiO2的化学性质稳定、催化活性高且无毒价廉、货源充足,成为目前试验研究中最常用的光催化剂之一。
光催化降解技 术主要适 用于低浓 度 (小于1000ppm)、气量小的VOC的处理。其优点是反应过程快速高效、能耗低、无二次污染,但仍存在一些缺陷,如光催化反应量子产率比较低,催化剂对激发源特征波长要求苛刻,且当污染物浓度高时,需要很大的催化面积而使得其与其他方法相比变得不经济。
微生物净化法是近年来发展起来的分解VOC的一种方法,该技术已在德国、荷兰得到规模化应用,有机物去除率大都在90%以上。该方法净化VOC过程的实 质是附着 在滤料介 质中的微 生物,在适宜的环境条件下,利用VOC作为炭源和能源,维持其生命活动,并将有机物转化为简单的无机物 (CO2、H2O)或细胞组成物质的过程。微生物净化法处理VOC一般要经历3个步骤: (1) VOC同水接触并溶解于水中 (即由气膜扩散进入液膜); (2)溶解于液膜中的VOC在浓度差的推动下进一步扩散到生物膜,进而被其中的微生物捕获并吸收;(3)进入微生物体内的VOC在其自身的代谢过程中作为能源和营养物质被分解,经生物化学反应最终转化成为无害的化合物。
根据微生物在VOC处理过程中存在 的形式, 可将处理方法分为生物洗涤法 (悬浮态)和生物过滤法 (固着态)。生物洗涤法即微生物及其营养物配料存在于液相中,气相中的有机物通过与悬浮液接触后转移到液相,从而被微生物降解,其典型形式有鼓泡塔、喷淋塔及穿孔塔等生物洗涤塔。生物过滤法是微生物附着生长于固体介质 (填料) 表面,VOC通过由固体介质构成的固定塔层 (填料层)时,被吸附、吸收,最终被微生物降解。其典型的形式有土壤、堆肥、填料等材料构成的生物过滤塔。 生物滴滤 塔则同时 有悬浮态 和固着态 的特性。
微生物净化法一般用于处理低浓度VOC。其主要优点是流程和设备较简单,一般不消耗有用原材料,运行能耗和费用较低、安全可靠、较少形成二次污染。但由于生化反应速率较低,使设备体积较大,且有压力损失,对温度和湿度变化敏感。随着膜技术的发展,微生物降解法又有了新的发展方向———膜生物法,它联合了膜技术与生物技术的优点,不同于传统的微生物法,成为极具前景的新方向。表1表明了以上处理技术的优劣。
表1 几种 VOC处理方法的优劣比较
可见,常用的处理方法中,微生物处理法具有投资费用省、运行费用低、维护管理方便、没有二次污染等优点,成为今后治理VOC恶臭污染物质的清洁型生物方法,值得大力提倡。
VOC的种类繁多,所涉及到的污染行业、工艺过程众多,污染气体的排放情况差异很大,以上性质决定了单一的治理技术不可能满足所有排放废气的治理要求。王海林等总结出了不同的行业, 采取不同的治理技术,如有机溶剂生产企业可以用吸附法,污水、堆肥等处理采用生物净化,橡胶生产行业可采用燃烧法。
随着工业的飞速发展和城市化进程的加快,公众对生活环 境、工作环境 质量的要 求越来越 高, VOC由于其高危害性也越来越受到重视,根据其物理和化学性质,选择不同方法来处理,不仅可以减轻环境污染,还会取得一定的经济效益。因此, VOC的回收与处理技术将日趋活跃,应用前景非常广阔。
中国对VOC的治理与管理相对较弱,但随着大气污染的日益严重和国家管理力度的加大,对VOC排放的限制也日益严格。环保部在2013年发布 《挥发性有机物 (VOCs)污染防治技术政策》, 在2014年出版了重点行业VOCs控制技术指南, 主要涉及源头削减技术、工艺过程控制技术、末端治理技术等细分领域。随着环保法规的逐步健全, 建立完善的控制管理办法,厂家采取相关的控制措施,会有效降低大气中的VOC浓度,对提高人们的健康水平有深远的意义。(资料来源:中国知网。)
相关推荐:voc检测仪
备案号:苏ICP备09077621号
©2009-2023 无锡点创科技有限公司版权所有
